| Fixed-Point Blockset | ![]() |
Direct Form II
In general, a direct form realization refers to a structure where the coefficients of the transfer function appear directly as gain blocks. The direct form II realization method is presented as using the minimal number of delay elements, which is equal to n, the order of the transfer function denominator.
The canonical direct form II is presented as "Standard Programming" in Discrete-Time Control Systems by Ogata. It is known as the "Control Canonical Form" in Digital Control of Dynamic Systems by Franklin, Powell, and Workman.
You can derive the canonical direct form II realization by writing the discrete-time transfer function with input e(z) and output u(z) as

The block diagram for u(z)/h(z) follows:

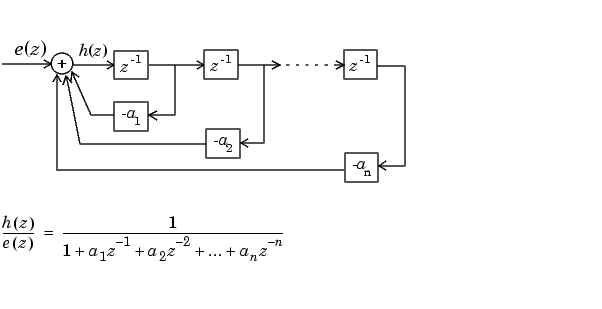
The block diagrams for h(z)/e(z) follow.

Combining these two block diagrams yields the direct form II diagram shown below. Notice that the feedforward part (top of block diagram) contains the numerator coefficients and the feedback part (bottom of block diagram) contains the denominator coefficients.

The direct form II example transfer function is given by
The realization of Hex(z) using the Fixed-Point Blockset is shown below. You can display this model by typing
| Canonical Forms | Series Cascade Form | ![]() |