| Fixed-Point Blockset | ![]() |
Series Cascade Form
In the canonical series cascade form, the transfer function H(z) is written as a product of first-order and second-order transfer functions:
This equation yields the canonical series cascade form.

Factoring H(z) into Hi(z) where i = 1,2,3,...,p can be done in a number of ways. Using the poles and zeros of H(z), you can obtain Hi(z) by grouping pairs of conjugate complex poles and pairs of conjugate complex zeros to produce second-order transfer functions, or by grouping real poles and real zeros to produce either first-order or second-order transfer functions. You could also group two real zeros with a pair of conjugate complex poles or vice versa. Since there are many ways to obtain Hi(z), you should compare the various groupings to see which produces the best results for the transfer function under consideration.
For example, one factorization of H(z) might be
You must also take into consideration that the ordering of the individual Hi(z)'s will lead to systems with different numerical characteristics. You may want to try various orderings for a given set of Hi(z)'s to determine which gives the best numerical characteristics.
The first order diagram for H(z) follows.

The second order diagram for H(z) follows.

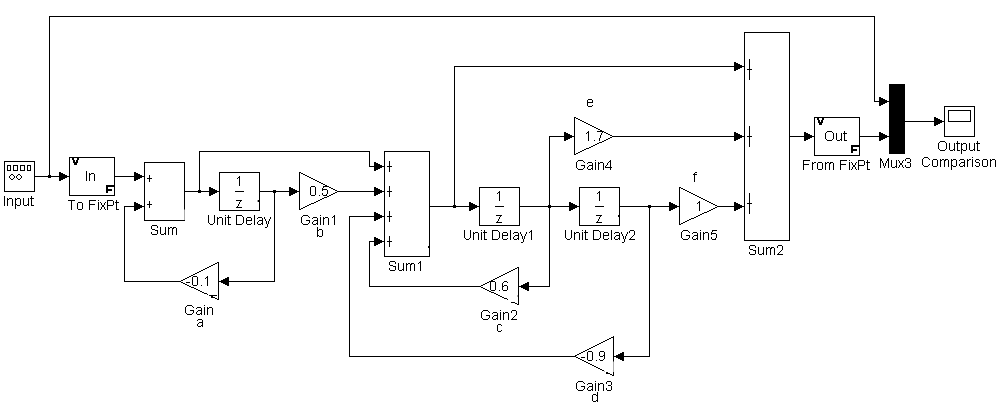
The series cascade form example transfer function is given by
The realization of Hex(z) using the Fixed-Point Blockset is shown below. You can display this model by typing
| Direct Form II | Parallel Form | ![]() |